防止金属钴析出的全合成切削液配方
本期小编为大家整理了两款切削液,一款是环保型全合成切削液,还有一款是全合成长效环保型磨削液,都具有防止金属钴析出的特性。
1、环保型全合成切削液
特性:
本全合成切削液能完全抑制金属加工时含钴硬质合金中钴元素的浸出,很好地解决了现有全介成切削液存在的析钻的问题。且本全合成切削液不仅适合碳化钨钻、钛钴等硬质合金的磨削加工,还可用于铸铁、碳钢、不锈钢和铜等金属的加工。且本品不含对人体或环境产生不利影响的、亚硝酸盐、有机酚等有毒化学品,是一种环保型的高效全合成切削液。
用途与用法:
本品主要应用于金属切削加工。
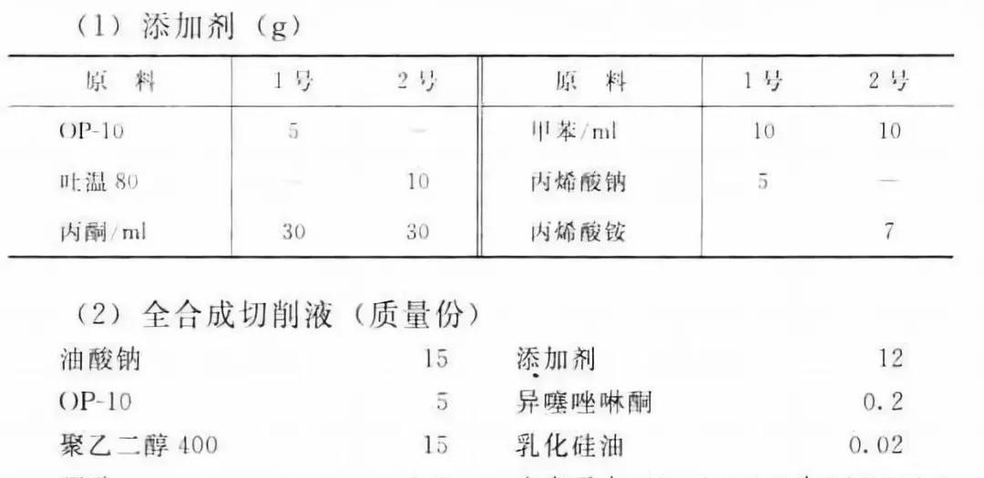
配方:
环保型全合成切削液配方质量表
制作方法:
(1)添加剂的制备:取表面活性剂用丙酮溶解,再加人甲苯,升温到5060℃,往反应系中同时滴加过硫酸铵(APS)引发剂溶液和丙烯酸钠,滴加完毕,保温5h,停止反应,蒸馏法脱去有机溶剂,即得到自制添加剂,APS用景占内烯酸钠用量的0.1%0.2%。
(2)全合成切削液的制备:将油酸钠、OP-10、聚乙二醇400、硼砂、添加剂、异噻唑啉酮、乳化硅油溶于适量的去离子水中,再用10%氢氧化钠水溶液调节以上所得溶液的pH值至9左右,得到总量为100的全合成切削液。
注意事项:
本品各组分质量份配比范围为:阴离子表而活性剂020、非离子表面活性剂110、聚乙二醇(40020000)515、,硼砂12、添加剂1015、杀菌剂0.10.3、消泡剂0.010.05,去离子水加至100。pH值调节剂适量使pH为7.59。
所述阴离子表面活性剂是油酸钠、硬脂酸钠、石油酸钠中的一种或几种。
所述非离子表面活性剂是脂肪酸聚氧乙烯脂或脂肪酸聚氧乙烯醚中的一种或几种。
所述杀菌剂可选异噻唑啉酮或苯甲酸钠或六氢化三嗪。pH值调作剂选自氢氧化钠或碳酸钠或硫酸。
产品质量指标
产品质量指标表1
产品质量指标表2
2、全合成长效环保型磨削液
特性:
本品所提供的全合成型切削液具有防钴析出功能,适用于含钴合金材料的加工,此外还能够用于钢、铸铁、铜、铝等多种材料的加工。
本品所提供的全合成型切削液具有磨屑沉降功能,能够快速沉降分离磨屑,保持加工环境的清洁,提高加工件表面质量,延长切削液的使用寿命,减少废液的排放。
本品所提供的全合成型切削液在不加杀菌剂的情况下,能够保持一年半以上不发臭,使用寿命长。
本品所提供的全合成型切削液除上述功能外,还不含亚硝酸钠、硫、氯、酚、汞、铅等人体及环境有毒害物质,因而环保性能优良。
用途与用法:
本品主要应用于含钴合金材料加工。
配方:
全合成长效环保型磨削液配方质量表
制作方法:
将硼酸、特殊胺、普通醇胺加入自来水中,于1535℃条件下搅拌使其溶解完全,然后逐项加入合成脂、防诱剂、缓蚀剂、表面活性剂、助剂,充分搅拌,待上述物质溶解完全后将pH值调整到8.59.5,即制得适用于含钴合金材料加工的全合成型切削液。
注意事项:
本品各组分质量份配比范围为:水5070、硼酸820、特殊胺518、普通醇胺420、合成脂215、防锈剂525、缓蚀剂0.31.5、表面活性剂0.15、助剂03。
所述水为自来水.要求硬度不高于300mg/L。
所述特殊胺为2-氨基-2-甲基-1-丙醇胺。
所述普通醇胺为三乙醇胺或单乙醇胺中的一种或两种的混合物。
所述合成脂为水溶性磷酸酯如聚氧乙烯十八烷基磷酸酯、聚氧乙烯苯基磷酸酯等。
所述防锈剂为硼酸酯复合防锈剂。
所述缓蚀剂为苯并三氮唑或甲基苯并三氮唑。
所述表面活性剂为非离子型表面活性剂如C12脂肪醇聚氧乙烯(9)醚、壬基酚聚氧乙烯(9)醚等。
所述助剂为正辛酸或异辛酸。
本品的组成机理为:利用硼酸盐和硼酸酯型防锈剂的复配增效剂,达到提高润滑极压性能的的,并在此基础上补充水溶性全合成酯,使润滑极压性能得到更进一步改善;利用硼酸盐类物质的抑菌特点,作不加杀菌剂的情况下使切削液有长寿命;利用特殊胺、防锈剂、缓蚀剂的复合增效性,使切削液的防锈性能增强,具有抑制钴析出的功能,能满足不同金属材质的加工要求;在所选表面活性剂的作用下,有效地消除磨屑在磨削过程中所产生的静电,使细小的磨屑在其自身的重力作用下能够快速沉降分离,延长切削液的使用寿命,保持加工环境的清洁,减少废液的排放。








手机官网